- Get link
- X
- Other Apps
Single phasing is the most common problem found in three phase induction motor. It requires less maintenance as compared to other electrical motors.

Motor Protection Relay For High Voltage Induction Motor

Induction Motor Protection System In 2020 Engineering

Solved Problem 2 Given A Basic Start Stop Motor Control
The primary goal of the work is to make a cheap and reliable protection system for three phase induction motor system.

Induction motor protection system. Ground fault protection for induction motor damage to a phase conductors insulation and internal shorts due to moisture within the motor are common causes of ground faults. The protection system should protect the from voltage. Induction motor protection system from single phasing over voltage under voltage overheating and phase reversal provides the smooth running of the induction motor expands its lifetime and also efficiency.
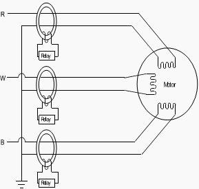
Induction motor protection system the circuit diagram of the three phase induction motors is shown in the figure below. This three phase induction motor protection system using pic microcontroller protects the three phase induction motor during any fault condition such a current or voltage variation in any phase of three phase ac supply as well as it also provides the protection during vibration speed and temperature fault motor is an electromechanically decide which converts the electrical energy into mechanically energy. From fractional hp ac motor used for different home appliances to giant synchronous motor and induction motor of up to 10000 hp are used for different industrial applications.
Thats why the name induction motor used in electricity is induced in rotor by magnetic induction rather than direct electric connection. Such small slices of iron layers make sure that eddy current losses are at a minimum. If any of the phases out of the 3 phases is misplaced and also if the motors temperature during process surpasses the set value the supply to the induction motor is cut off instantly.
Induction motor is most widely utilized motor. Generally these faults occur when supply system is violating its rating. Small and large motor protection scheme.
Induction motor protection system the basic idea of this project is to give safety to the induction motor. Induction motor protection system 13. To protect the motor from different faults conditions various protections are provided.
They are also critical components in many commercially available equipments and industrial processes. A strategy that is typically used to limit the level of the ground fault current is to connect an impedance between the neutral point of the 3 phase motor and ground. Magnetic contactor starter essentially consists of a set of start and stop push buttons with associated contacts overload and underload protective devicesthe start push button is a momentary contact switch that is held normally open by a spring.
The electric motor is most essential drive in modern era of industrialization. So they play an important role in our domestic and commercial level industry. Protection of induction motors is important because most industrial applications use induction motors from the market due to their high robustness reliability low cost and maintenance and high eciency.
When one of the supply fuse of a three phase motor blows off or a terminal connection comes out single phasing at the motor may occur.

Single Phasing In Electrical Motors Causes Effects And

A Protection Scheme For Three Phase Induction Motor From
1 Three Phase Induction Motor Protection System Embedded

Table 5 From Reliability Assessment And Improvement Of Large

Construction Of Three Phase Induction Motor Electrical4u

Induction Motor Protection System
Eel3086 Lab 1 Report Switchgear Protection Mmu Studocu
Solved Overcurrent Protection Of A Three Phase Induction
3 Phase Induction Motor Protection System Easyeda

Induction Motor Protection System Block Diagram Edgefx

Motor Protection Depending On Size And Voltage Level

Solved That Protection Against Interturn Faults In Induct
induction motor protection system
induction motor protection system project
induction motor protection system project pdf
- Get link
- X
- Other Apps
Comments
Post a Comment