- Get link
- X
- Other Apps

D Q Model Of Induction Motor Download Scientific Diagram

Chapter 7 Modelling Induction Motors

Matlab Simulink Model Of Ac Induction Motor Download


Induction Motor Model Open Electrical

D Q Model Of Induction Motor Download Scientific Diagram

Soft Started Induction Motor Modeling And Heating Issues For

Mathematical Modeling And Analysis Of Different Vector

Simulink Model Of Three Phase Induction Motor File

Simulink Model Of Single Phase Induction Motor Download

Three Phase Induction Motor Dynamic Modeling And Behavior

Lesson 12a Three Phase Induction Motors Ppt Video Online

Machine Modeling Multisim Live

Induction Machine Modeling With Saturation And Series Iron

Induction Motor Equivalent Circuit

Modelling And Analysis Of Squirrel Cage Induction Motor With
induction motor modeling
induction motor modeling for common mode and differential mode emission evaluation
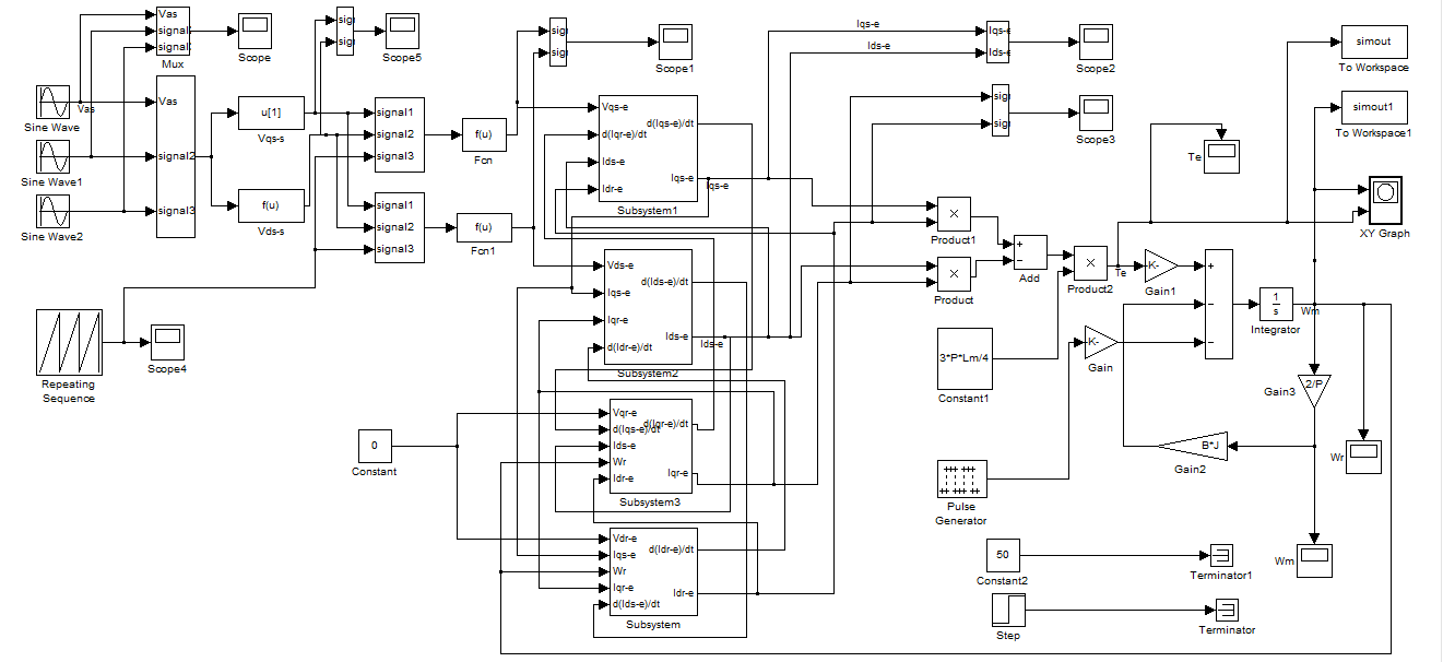
induction motor modeling in matlab
- Get link
- X
- Other Apps
Comments
Post a Comment